Новости
Все новости
1 апреля 2026
Новый дизайн ключей от ABUS
17 марта 2026
Цилиндр ABUS EC880 — премиум‑защита для вашей двери
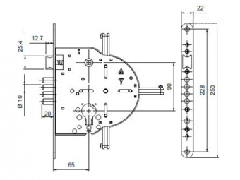
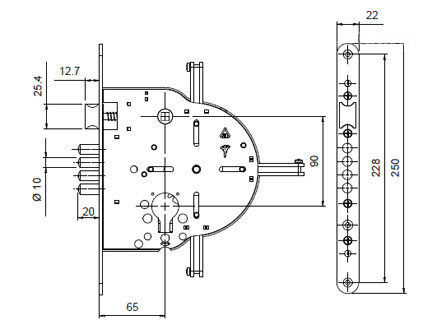
Замок врезной Mul-t-lock 265
- Описание
-
ОписаниеВзломостойкий дверной замок Mul-T-Lock "265" с четырехканальной системой запирания. В составе механизма присутствуют четыре ригеля прямолинейного типа с диаметром 10 мм каждый. В замке используются европрофильные цилиндры с управляющим механизмом в виде шестеренки, которая обеспечивает плавность процесса отпирания.
Основные параметры:
Тип механизма: цилиндровый
Запирание: четырехканальное
Диаметр ригелей: 10 мм
Комплектация:
тело замка, без вертикальных ригелейХарактеристики
Тип Цилиндровый замок Производство Израиль









































































































