Новости
Все новости
1 апреля 2026
Новый дизайн ключей от ABUS
17 марта 2026
Цилиндр ABUS EC880 — премиум‑защита для вашей двери
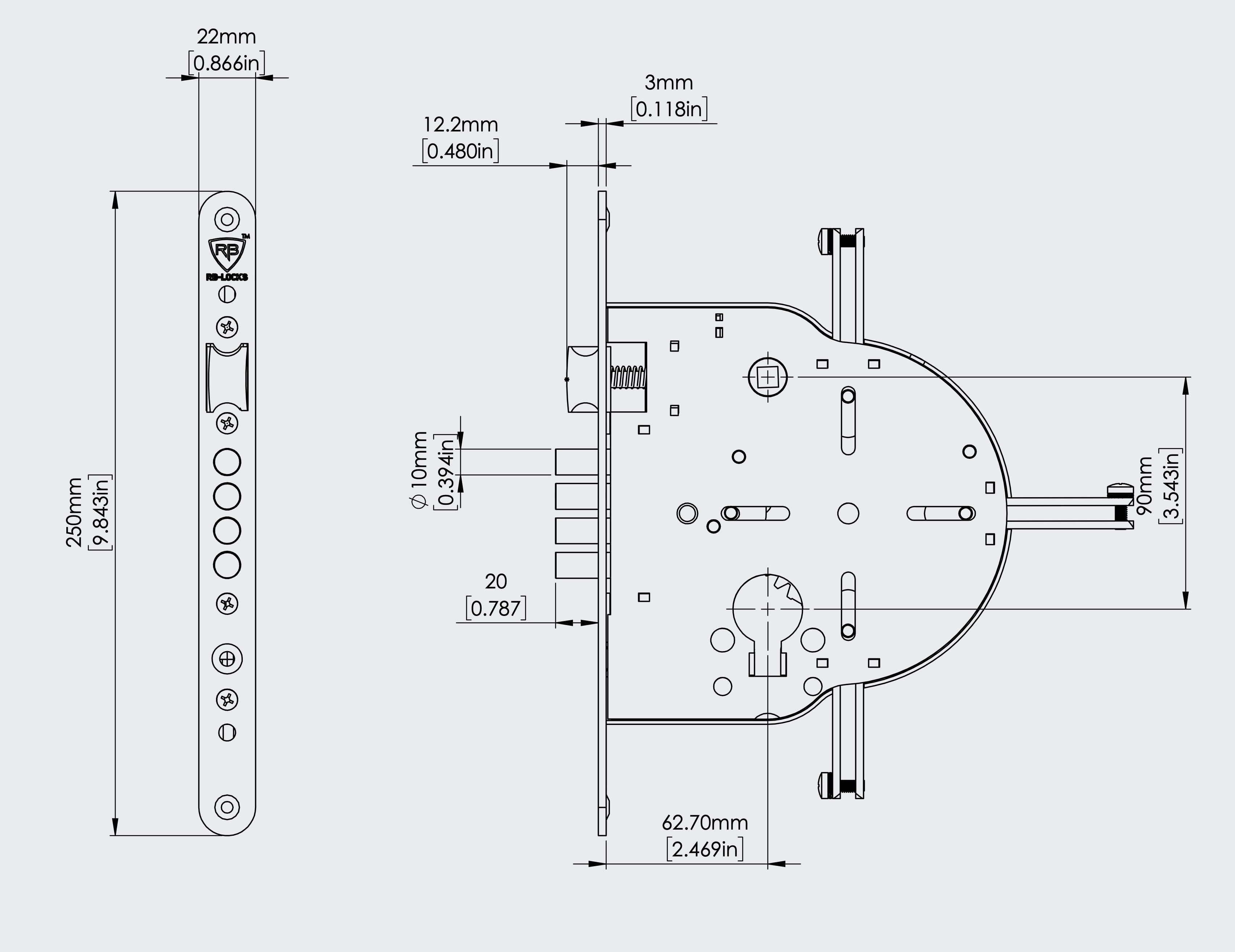
Врезной замок Rav Bariach 507
Новинки
- Описание
-
ОписаниеВзломостойкий дверной замок Rav Bariach с четырехканальной системой запирания. В составе механизма присутствуют четыре ригеля прямолинейного типа с диаметром 10 мм каждый. В замке используются европрофильные цилиндры с управляющим механизмом в виде шестеренки, которая обеспечивает плавность процесса отпирания.
Основные параметры:
Тип механизма: цилиндровый
Запирание: четырехканальное
Диаметр ригелей: 10 мм
Комплектация:
тело замка, без вертикальных ригелейХарактеристики
Производство Израиль Гарантия 2 года







































































































