Новости
Все новости
1 апреля 2026
Новый дизайн ключей от ABUS
17 марта 2026
Цилиндр ABUS EC880 — премиум‑защита для вашей двери
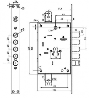
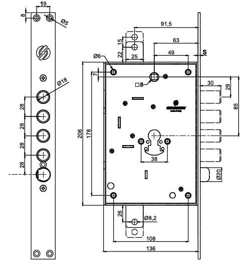
Замок врезной Securemme 2603
- Описание
-
ОписаниеВрезной цилиндровый замок Секурема 2603 на три точки запирания предназначен для установки в металлические двери. Замок имеет патентованное крепление, защищающее цилиндровый механизм от выбивания.
Замок оснащен дополнительной защитой SECURTINA. Эта запатентованная система обеспечивает защиту замка при силовом воздействии. Срабатывает блокирующий элемент ригельной группы и не позволяет ей двигаться.
Завод изготовитель SECUREMME специально для этого комплекта разработал цилиндровый механизм серии К2 с одним монтажным ключом и пятью основными ключами в оригинальной заводской упаковке. Но можно подобрать и любой другой цилиндр европейского образца с необходимым уровнем секретности.
В качестве дополнительной защиты рекомендуется устанавливать врезные броненакладки.
Основные параметры:
Тип механизма................................. цилиндровый
Количество ригелей......................... 4 Диаметр ригелей.............................. 18 мм Вылет ригелей.................................. 30 мм
Комплект:
- корпус замка
Характеристики
Тип Цилиндровый замок Производство Италия Гарантия 1 год







































































































