Новости
Все новости
1 апреля 2026
Новый дизайн ключей от ABUS
17 марта 2026
Цилиндр ABUS EC880 — премиум‑защита для вашей двери
Замок врезной двухсистемный Cisa 56.786.48
- Описание
-
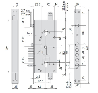
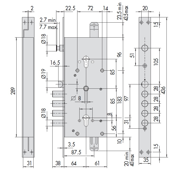
ОписаниеДвухцилиндровый врезной замок Cisa 56.786 - это замок на три точки запирания. Верхний цилиндровый замок является дополнительным и закрывается на два оборота ключа, нижний на четыре оборота.
Оба механизма открываются независимо друг от друга и обеспечивают надежную защиту от вскрытия и взлома. В качестве дополнительной защиты рекомендуется устанавливать врезные броненакладки на цилиндровую часть замка.
Основные параметры:
Тип механизма.................................. двухцилиндровый
Количество ригелей.......................... 4 + 1 Вылет ригелей................................... 38мм Диаметр ригеля................................. 18мм Межосевое расстояние.................... 85мм Бэксет................................................. 64мм Тип защлки......................................... реверсивная
Комплект:
- корпус замка
Характеристики
Тип Двухсистемный замок Производство Италия Гарантия 2 года







































































































