Новости
Все новости
1 апреля 2026
Новый дизайн ключей от ABUS
17 марта 2026
Цилиндр ABUS EC880 — премиум‑защита для вашей двери
Полуцилиндр EVVA ICS
Новинки
- Описание
-
Описание
Цилиндровые механизмы EVVA ICS
Цилиндровые механизмы Evva ICS (Система внутреннего кодирования) – обеспечивают высокий уровень безопасности, надежности и удобства от использования. Цилиндры ICS от Австрийского производителя EVVA защищены от большинства методов вскрытия и взлома, а так же от несанкционированного копирования ключей. В цилиндре используются 2 независимые системы кодирования, которые позволяют добиться высокого уровня секретности.
Технология ICS
Система имеет две независимые системы кодирования:
- Кодовые элементы, расположенные с двух сторон от ключевого отверстия
- Торцевая нарезка ключа, которая проверяет глубину и форму
Первая (основная) состоит из 10 кодовых слайдеров (по бокам от ключа по 5 с каждой стороны), которые считывают код одновременно с обеих сторон ключа. Каждый слайдер имеет ложный паз для затруднения вскрытия отмычками.
При использовании правильного ключа все кодовые элементы формируют прямую линию в которую утапливается запорная планка, позволяющая провернуть плаг.
Вторая система кодирования состоит из 3-х классических штифтов с традиционным принципом действия. Они считывают нарезку на вертикальных гранях ключа.
Удоство использования
Особое внимание при разработке системы ICS уделялось именно удобству использования: двухсторонний компактный ключ может быть вставлен в ключевое отверстие любой стороной, все углы ключа закруглены и отсутствуют острые грани.
Защита от несанкционированного копирования ключей
Болванки ключей ICS защищены международными патентами до 2028 года и распространяются только среди партнеров EVVA имеющих соглашение.
Изготовление копий ключей требует определенных технических тонкостей и наличия высокотехнологичного специализированного оборудования, поэтому легально изготовить копию ключа возможно только в авторизованных центрах при предъявлении карточки владельца.
Защита от вскрытия и взлома
- Использование активных кодовых элементов с ложными пазами, применение двух независимых принципов кодирования и замочная скважина сложной формы делают вскрытие цилиндра отмычками крайне затруднительным.
- Принцип устройства полностью исключает вскрытие "бампингом".
- Стандартная защита от силовых методов включает высокопрочные вставки в корпусе и плаге цилиндра.
- В центре корпуса находится сердечник из нержавеющей стали, препятствующий перелому и выдергиванию цилиндра.
Используемые материалы
- Корпус и плаг цилиндра выполнены из латуни.
- Ключ, боковые кодовые элементы и запорные планки мельхиоровые
- нижние кодовые элементы латунные, первая пара - стальная
Модульная система
Благодаря модульной системе длина цилиндра может быть легко изменена в любой из более 40 стандартных типоразмеров, что позволяет адаптировать длину цилиндра практически под любую толщину двери.
Точные размеры цилиндров Evva ICS

Рис.1 Размеры цилиндров Evva ICS (мм)
Длина по прайс-листу A L 31 32 41 41 42 51 51 52 61

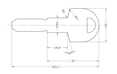
Рис.2 Размеры ключа Evva ICS с металлической головкой (мм)

Рис.3 Размеры ключа Evva ICS с пластиковой головкой (мм)
Комплектация:
- Полуцилиндр EVVA ICS
- 5 ключей с металлической головкой
- Карта владельца
- Фирменная упаковка
Характеристики
Производство Австрия Материал корпуса Латунь Материал ключа Мельхиор Система кодирования Кодовые штифты Тип ключа Реверсивный Количество кодовых элементов 13 кодовых элементов ?Возможность создания системы под один ключДва или более цилиндра, открывающихся одним и тем же ключом (имеющих одинаковую кодовую комбинацию)Да ?Возможность создания мастер-системыСистема из нескольких цилиндров, каждый из которых открывается как индивидуальным ключом, так и общим мастер-ключом. Имеется возможность разграничения прав доступа.Нет Гарантия 2 года





































































































